Description
| Conditions environnementales | —20℃~50℃ | Nombre de phases | / |
| Sens de rotation | CW / CCW | Classe d'isolation | BH |
| Bruit | ≤65dB | Classe de protection | IP40 |
| Conditions de travail | S1.S2.S3 |
Avantages
01Structure simple :
La structure du moteur à courant continu à balais est relativement simple, facile à fabriquer et à entretenir. Cela le rend moins coûteux et adapté à la production et à l'utilisation en série.
02Contrôle facile:
La vitesse et le couple du moteur à courant continu à balais se contrôlent aisément en ajustant la tension et le courant. C'est pourquoi il est très prisé dans les applications exigeant un contrôle précis de la vitesse et de la position.
03Couple de démarrage élevé :
Le moteur à courant continu à balais possède un couple de démarrage élevé à basse vitesse, ce qui le rend adapté aux applications nécessitant un couple de démarrage élevé, telles que les véhicules électriques, les équipements de levage, etc.
04Vitesse de réponse rapide :
Grâce à sa faible inertie, le moteur à courant continu à balais possède une vitesse de réponse très rapide et peut changer rapidement de vitesse et de direction.
05Large application:
Grâce à leur structure simple, leur faible coût et leur facilité de contrôle, les moteurs à courant continu à balais sont largement utilisés dans divers équipements électroniques industriels et grand public, tels que les jouets, les outils électriques, les petits appareils électroménagers, etc.
06Entretien facile:
L'entretien et le remplacement des pièces (telles que les balais) des moteurs à courant continu à balais sont relativement simples, ce qui réduit les temps d'arrêt et les coûts de réparation.
Données techniques du moteur
| Caractéristiques électriques | |||||||||
| Modèle | CHARGE NOMINALE | SANS CHARGE | STALL | ||||||
| Tension | Puissance | Rapidité | torque | Courant | Rapidité | Courant | torque | Courant | |
| V | W | rpm | Nm | A | rpm | A | Nm | A | |
| BG 45ZYT66 | 24 | 15 | 3000 | 0.08 | 0.89 | 4000 | 0.18 | 0.24 | 2.6 |
| Nous pouvons également personnaliser les produits selon les exigences du client. | |||||||||
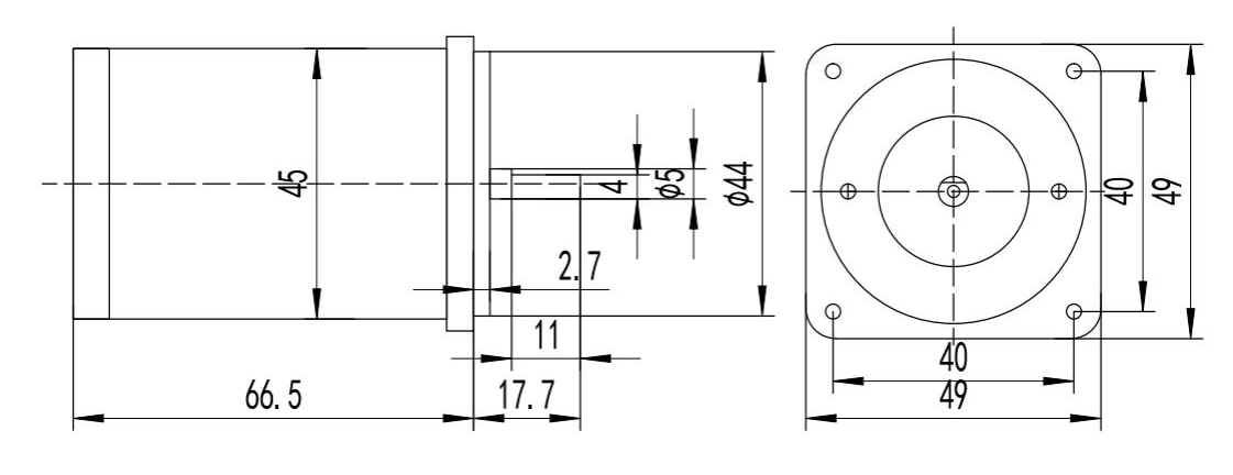
Dimensions mécaniques

Solutions personnalisables
Peut fournir une tension, des performances électriques, un circuit, etc. personnalisés.
Et arbre, bride de montage, fil conducteur, classe de température élevée, entraînement, etc.
Pour tout autre besoin, veuillez contacter nos ingénieurs commerciaux.
Pièces

Applications

Détails de la sélection du moteur
01Scénarios d'application:
Comprendre l'environnement d'application et l'utilisation spécifiques des moteurs, tels que les jouets, les outils électriques, les appareils ménagers, les équipements industriels, etc.
02Tension et courant:
Déterminer la plage de tension et de courant de fonctionnement requise pour le moteur afin de garantir son fonctionnement normal sous le système électrique du client.
03Puissance et efficacité :
Déterminer les exigences en matière de puissance et d'efficacité du moteur en fonction des exigences de l'application afin de garantir que le moteur puisse répondre aux performances de fonctionnement requises.
04Vitesse et couple :
Précisez les exigences du client en matière de vitesse et de couple du moteur, notamment la vitesse maximale, la vitesse minimale, le couple de démarrage et le couple de fonctionnement, etc.
05Dimensions et installation :
Déterminer les dimensions globales et la méthode d'installation du moteur afin de garantir que celui-ci puisse s'adapter à l'espace disponible et à l'emplacement d'installation de l'équipement du client.
06Durée de vie et fiabilité :
En fonction de la fréquence d'utilisation et de l'environnement de travail du client, déterminer la durée de vie et les exigences de fiabilité du moteur, y compris la durée de vie des balais et des collecteurs.
07Conditions environnementales:
Comprendre les conditions environnementales de fonctionnement du moteur, telles que la plage de température, l'humidité, le niveau de résistance à la poussière et à l'eau, etc., afin de déterminer le type de moteur et le niveau de protection appropriés.
08Bruit et vibration :
En fonction des exigences du client en matière de bruit et de vibrations, choisissez un modèle de moteur à faible niveau sonore et à faibles vibrations, notamment pour les applications nécessitant un fonctionnement silencieux.
09Mode de contrôle:
En fonction de la fréquence d'utilisation et de l'environnement de travail du client, déterminer la durée de vie et les exigences de fiabilité du moteur, y compris la durée de vie des balais et du collecteur.
10Coût et budget :
Comprendre la fourchette budgétaire du client afin de choisir un modèle de moteur économique qui réponde à ses exigences en matière de maîtrise des coûts.
11Certifications et normes :
En fonction du domaine d'application et des besoins du client, déterminer si le moteur doit être conforme à des certifications et normes spécifiques, telles que CE, UL, RoHS, etc.
En fonction de la fréquence d'utilisation et de l'environnement de travail du client, déterminer la durée de vie et les exigences de fiabilité du moteur, y compris la durée de vie des balais et du collecteur.














