Téléphone 
+86 13566033299
Courriel
Quelle est l'application
Les moteurs électriques
4 3 3 3 3
  • 1
  • 2
  • 2
  • 2
  • 2

Moteur de moulin à café monophasé BGAC7630 à faible bruit, 500 watts, 9000 tr/min

TYPE:Les moteurs électriques

Numéro de modèle: BG AC7630

Plage de puissance : 300-500W

Plage de tension :110-240VDC

Plage de vitesse nominale : X

Plage de couple nominal : 0.29-0.48N.m

Durée de vie: 1000Hours

Infos

Description

Conditions environnementales—20℃~50℃Nombre de phasesSingle
Sens de rotationCW / CCWClasse d'isolationBH
Bruit≤65dBClasse de protectionIP00
Conditions de travailS2.S3



Avantages

  1. 01Vitesses élevées :Les moteurs monoblocs sont capables d'atteindre des vitesses très élevées, dépassant généralement 20 000 tr/min, ce qui les rend particulièrement adaptés aux applications nécessitant une rotation à grande vitesse, telles que les outils électriques et les appareils électroménagers.
  2. 02Densité de puissance élevée :Comparé à d'autres types de moteurs, le moteur à simple série peut fournir une puissance plus élevée dans un format relativement compact, ce qui le rend adapté aux équipements nécessitant une puissance élevée mais où l'espace est limité.
  3. 03Bonnes performances au démarrage : Ce moteur possède un couple de démarrage élevé, ce qui lui permet de démarrer rapidement et d'atteindre sa vitesse de fonctionnement en peu de temps, un point important dans certaines applications nécessitant un démarrage rapide.
  4. 04Large plage de vitesse : La vitesse d'un moteur à simple effet série peut être contrôlée de manière flexible en ajustant la tension ou la charge, ce qui le rend utile dans les applications nécessitant une large plage de vitesses.
  5. 05Construction simple et faible coût :

    Grâce à leur conception et à leur fabrication relativement simples, les moteurs monoblocs en série ont généralement des coûts de production faibles, ce qui les rend intéressants dans de nombreuses applications à faible coût.

  6. 06Large gamme d'applications:

    Grâce à leur polyvalence et à leurs hautes performances, les moteurs monoblocs sont largement utilisés dans une variété d'appareils ménagers tels que les aspirateurs, les mixeurs et les sèche-cheveux, ainsi que dans des outils électriques tels que les forets et les tronçonneuses.

  7. 07Dans l'ensemble:

    Les moteurs série mono-étagés sont largement utilisés dans de nombreuses applications exigeant des performances et une flexibilité élevées grâce à leurs avantages tels que la vitesse élevée, la densité de puissance élevée, de bonnes performances au démarrage et un bon rapport coût-efficacité.

Données techniques du moteur

Caractéristiques électriques
ModèleCHARGE NOMINALESANS CHARGESTALL
TensionPuissanceRapiditétorqueCourantRapiditéCouranttorqueCourant
VWrpmNmArpmANmA
BGAC7620
110
35090000.374.5170000.91.1
13.64
BGAC762522040090000.422.6
180000.51.277.7
BGAC7630220
500100000.53.3200000.61.599.7
Nous pouvons également personnaliser les produits selon les exigences du client.

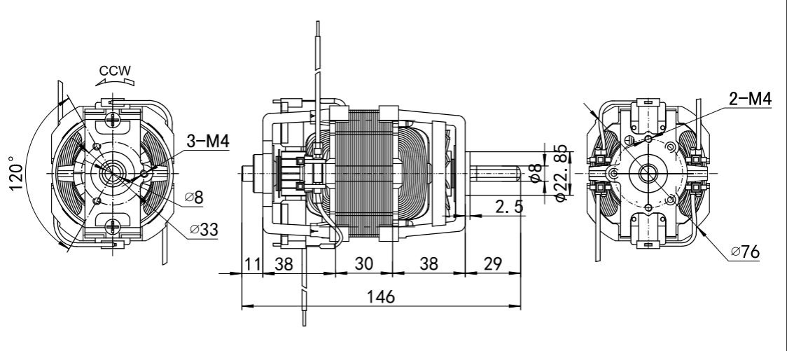
Dimensions mécaniques

image.png

Solutions personnalisables

  • Peut fournir une tension, des performances électriques, un circuit, etc. personnalisés.

  • Et arbre, bride de montage, fil conducteur, classe de température élevée, entraînement, etc.

  • Pour tout autre besoin, veuillez contacter nos ingénieurs commerciaux.

Pièces

未 标题 -1 (2)

Applications

image.png

Détails de la sélection du moteur

  1. 01Scénarios d'application:

    Précisez le type d'équipement ou d'application pour lequel le moteur sera utilisé (par exemple, outils électriques, appareils ménagers, etc.) afin de sélectionner les spécifications et caractéristiques appropriées..

  2. 02Type d'alimentation et tension :

    Déterminez le type d'alimentation (CA ou CC) auquel le moteur sera connecté et la tension de fonctionnement (par exemple 110 V, 220 V, etc.).

  3. 03Exigences d'alimentation:

    Il est essentiel de comprendre les besoins en puissance du client pour choisir le moteur de puissance approprié. La puissance requise par le moteur à charge maximale doit être déterminée.

  4. 04La vitesse:

    Déterminez la plage de vitesses requise pour l'application et assurez-vous que le moteur sélectionné peut répondre à ces exigences de vitesse.

  5. 05Couple de démarrage et couple de fonctionnement :

    Connaître le couple requis par le moteur au démarrage et en fonctionnement permet de s'assurer que le moteur peut fournir une force suffisante pour démarrer et faire fonctionner la charge.

  6. 06Exigences relatives à la taille et à l'installation :

    Confirmer les contraintes d'espace et les exigences d'installation de l'équipement du client afin de sélectionner la taille du moteur et la méthode d'installation appropriées.

  7. 07Environnement d'exploitation:

    Comprendre l'environnement de fonctionnement du moteur (tel que la température, l'humidité, la poussière, etc.) afin de sélectionner le type de moteur et le niveau de protection adaptés à cet environnement.

  8. 08Mode de contrôle:

    Déterminer si des méthodes de contrôle spéciales (telles que le réglage de la vitesse, le contrôle du démarrage, etc.) sont nécessaires pour sélectionner le schéma de contrôle approprié.

  9. 09Durée de vie et fiabilité :

    Comprendre les exigences du client en matière de durée de vie et de fiabilité du moteur, afin de choisir la marque et le modèle de moteur appropriés.

  10. 10Coût et budget :

    Comprendre la fourchette budgétaire du client afin de choisir un modèle de moteur économique qui réponde à ses exigences en matière de maîtrise des coûts.

  11. 11Certifications et normes :

    En fonction du domaine d'application et des besoins du client, déterminer si le moteur doit être conforme à des certifications et normes spécifiques, telles que CE, UL, RoHS, etc.

Pourquoi nous pouvons résoudre ces problèmes.
QUELQUE CHOSE QUE VOUS NE POUVEZ PAS TROUVER ?
Discutez avec un de nos représentants commerciaux

BG Motor s'engage à produire des moteurs de la meilleure qualité pour ses clients.

  • ODM et OEM
  • Faible niveau sonore < 50 dB et longue durée de vie > 20 000 heures
  • Couple élevé et hautes performances
  • Solution de personnalisation du moteur (taille et données)
  • Réponse rapide en moins de 6 heures
  • Excellentes capacités de R&D et d'innovation
  • Livraison rapide
  • Garantie qualité d'un an
ENVOYEZ-NOUS UN E-MAIL
technologie@china-bgmotor.com

FORMULAIRE DE CONTACT

  • *Prénom:
  • Téléphone:
  • Compagnie:
  • *Courrier:
  • *Contenu:
Copyright © 2024 BG MOTOR. Tous droits réservés.

FORMULAIRE DE CONTACT

  • *Prénom:
  • Téléphone:
  • Compagnie:
  • *Courrier:
  • *Contenu:
Nous vous répondrons dans les 12 heures.
Vous recevrez une solution personnalisée gratuite