Téléphone 
+86 13566033299
Courriel
Quelle est l'application
Moto-Réducteurs Planétaires
4 3 3 3 3
  • 1
  • 2
  • 2
  • 2
  • 2

BG42BL60 High Torque Low Rpm 30Watt 100 Rpm PMSM DC Brushed Planetary Gear Motor for Electric Vehicles

TYPE:Moto-Réducteurs Planétaires

Numéro de modèle: BG 42BL60

Plage de puissance : 10-40W

Plage de tension :12-48VDC

Plage de vitesse nominale : X

Plage de couple nominal : 0.18-5N.m

Durée de vie: 5000-20000Hours




Infos

Description

Conditions environnementales—20℃~50℃Nombre de phases3
Sens de rotationCW / CCWClasse d'isolationBH
Bruit≤65dBClasse de protectionIP40
Conditions de travailS1.S2.S3



Avantages

  1. 01Couple de sortie élevé : La structure à engrenages planétaires permet de fournir un couple de sortie élevé, ce qui convient aux petits équipements nécessitant un couple important.
  2. 02Haute efficacité: Le rendement d'un moteur à réducteur planétaire est généralement relativement élevé, de l'ordre de 85 % à 95 %.
  3. 03Rigidité et précision élevées : L'engrenage planétaire possède une structure compacte, ce qui permet d'assurer une rigidité et une précision élevées du système de transmission.
  4. 04Petite taille:Grâce à la conception unique des engrenages planétaires, il est plus petit et plus léger tout en fournissant la même puissance de sortie.

  5. 05Un fonctionnement en douceur:

    Grâce à la répartition uniforme des engrenages, le fonctionnement du moteur à engrenages planétaires est très régulier et le niveau sonore est faible.

Données techniques du moteur

Caractéristiques électriques
ModèleCHARGE NOMINALESANS CHARGESTALL
TensionPuissanceRapiditétorqueCourantRapiditéCouranttorqueCourant
VWrpmNmArpmANmA
BG 42BL60121734000.052.550000.30.154
BG 42BL60241835500.051.350000.140.174
Nous pouvons également personnaliser les produits en fonction des exigences du client.


Données techniques du motoréducteur planétaire - BG
Rapport de réduction (1: xx)31419275171100139
Rated  speed (rpm)85024218012665633424
Couple nominal (Nm)0.180.50.811.82.43.55


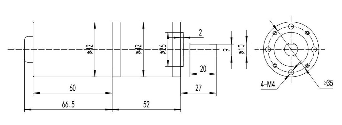
Dimensions mécaniques

image.png

Solutions personnalisables

  • Peut fournir une tension, des performances électriques, un circuit, etc. personnalisés.

  • Et arbre, bride de montage, fil conducteur, classe de température élevée, entraînement, etc.

  • Pour tout autre besoin, veuillez contacter nos ingénieurs commerciaux.

Pièces

photo

Applications

Détails de la sélection du moteur

  1. 01Scénarios et conditions de travail :

    Déterminez le type d'application pour lequel le motoréducteur sera utilisé, par exemple les convoyeurs, les équipements de levage, les bandes transporteuses, etc. Déterminez les conditions de fonctionnement, telles que la température ambiante, l'humidité et si l'étanchéité à l'eau et à la poussière, ainsi que d'autres caractéristiques, sont requises.

  2. 02Paramètres de sortie requis :

    Déterminez la vitesse de sortie et le couple de sortie requis. Déterminez le rapport de réduction requis, c'est-à-dire le rapport entre la vitesse de l'arbre d'entrée et celle de l'arbre de sortie.

  3. 03

    Contraintes d'espace et exigences d'installation :Déterminer les dimensions et la forme de l'espace d'installation. Déterminer s'il existe des exigences d'installation particulières, telles qu'une installation verticale, horizontale, etc.
  4. 04Exigences en matière de performance et d'efficacité du moteur :

    Déterminer les exigences en matière d'efficacité du moteur, notamment si un moteur à haut rendement est nécessaire pour économiser de l'énergie. Déterminer les exigences en matière de stabilité de fonctionnement du moteur et de niveau sonore.

  5. 05Considérations économiques :

    Tenez compte des contraintes budgétaires du client et recommandez-lui des produits adaptés à son budget et à ses besoins.
  6. 06Fonctionnalités supplémentaires et exigences particulières :

    S'il existe des exigences fonctionnelles particulières, telles qu'une fonction d'autoblocage, une fonction de freinage d'urgence, etc., vous devez comprendre en détail les besoins spécifiques des clients.
  7. 07Enfin:

    En recueillant et en comprenant ces détails, nous pouvons recommander avec plus de précision le motoréducteur le mieux adapté à nos clients afin de répondre à leurs besoins spécifiques et à leurs exigences de performance attendues.


Pourquoi nous pouvons résoudre ces problèmes.
QUELQUE CHOSE QUE VOUS NE POUVEZ PAS TROUVER ?
Discutez avec un de nos représentants commerciaux

BG Motor s'engage à produire des moteurs de la meilleure qualité pour ses clients.

  • ODM et OEM
  • Faible niveau sonore < 50 dB et longue durée de vie > 20 000 heures
  • Couple élevé et hautes performances
  • Solution de personnalisation du moteur (taille et données)
  • Réponse rapide en moins de 6 heures
  • Excellentes capacités de R&D et d'innovation
  • Livraison rapide
  • Garantie qualité d'un an
ENVOYEZ-NOUS UN E-MAIL
technologie@china-bgmotor.com

FORMULAIRE DE CONTACT

  • *Prénom:
  • Téléphone:
  • Compagnie:
  • *Courrier:
  • *Contenu:
Copyright © 2024 BG MOTOR. Tous droits réservés.

FORMULAIRE DE CONTACT

  • *Prénom:
  • Téléphone:
  • Compagnie:
  • *Courrier:
  • *Contenu:
Nous vous répondrons dans les 12 heures.
Vous recevrez une solution personnalisée gratuite