Description
| Conditions environnementales | —20℃~50℃ | Nombre de phases | / |
| Sens de rotation | CW / CCW | Classe d'isolation | F |
| Bruit | ≤90dB | Classe de protection | IP00 |
| Puissance efficace | 155 | Efficacité maximale | 44.3 % |
| Conditions de travail | S1.S2.S3 |
Avantages
- 01Haute efficacité:
Grâce à leur conception sans balais qui élimine les pertes par frottement entre les balais et le collecteur, les moteurs BLDC sont généralement plus efficaces que les moteurs à balais, notamment dans des conditions de charge élevée.
- 02Faible entretien:
L'absence de balais permet d'éviter le remplacement régulier des moteurs BLDC, réduisant ainsi les coûts et le temps de maintenance.
- 03Haute fiabilité et longue durée de vie :
La conception sans balais réduit l'usure mécanique et améliore la fiabilité et la durée de vie du moteur.
- 04Densité de puissance élevée :
Les moteurs BLDC peuvent fournir une puissance de sortie élevée dans un petit volume, ce qui convient aux applications où l'espace est limité.
05Contrôle précis de la vitesse et de la position :
Grâce au mode de commutation électronique des moteurs BLDC, un contrôle précis de la vitesse et de la position peut être réalisé, ce qui convient aux applications nécessitant un contrôle de haute précision.
06Fonctionnement silencieux :
Le moteur sans balais fonctionne avec un faible niveau sonore car il n'y a pas de bruit de frottement des balais et des collecteurs.
07Haute vitesse:
Le moteur BLDC peut atteindre une vitesse élevée, ce qui le rend adapté aux applications à grande vitesse, telles que les outils électriques et les équipements rotatifs à grande vitesse.
08Meilleure gestion thermique :
Le stator des moteurs sans balais est généralement entouré par le rotor, ce qui permet une meilleure dissipation de la chaleur et contribue à améliorer l'efficacité et la durée de vie du moteur.
Données techniques du moteur
| Caractéristiques électriques | |||||||||
| Modèle | Tension | Fréquence | maximum d'énergie | Débit d'air max | Vide maximum | Orifice | Vide | Flux d'air | Poids |
| V | Hz | W | m³/min | KPa | mm | KPa | m³/min | Kg | |
| BG 50J350X001 | 25 | 50/60 | 350 | 1.39 | 22.12 | 16 | 10.16 | 0.92 | 0.3 |
| Nous pouvons également personnaliser les produits en fonction des exigences du client. | |||||||||
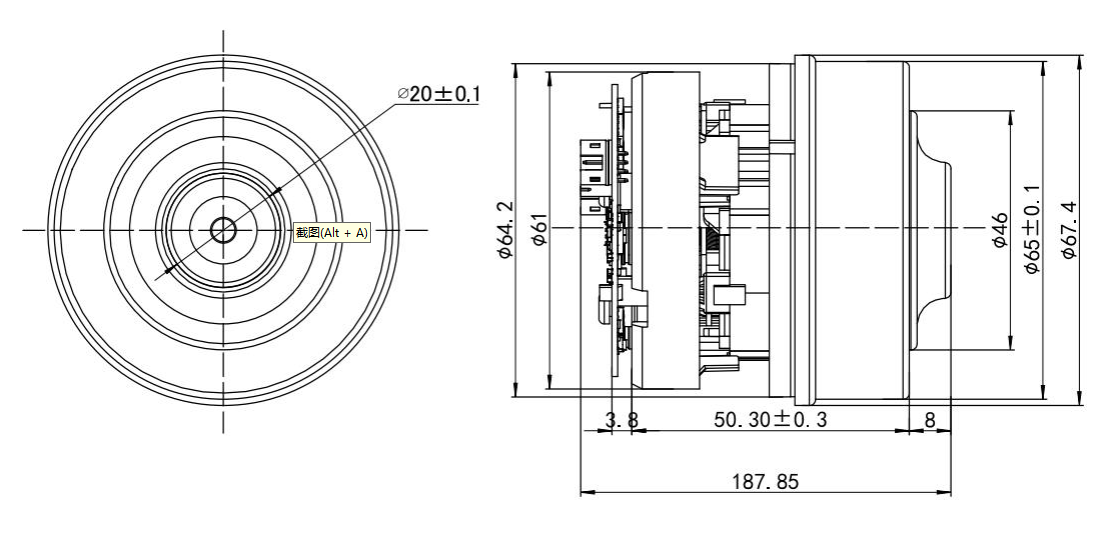
Dimensions mécaniques

Solutions personnalisables
Peut fournir une tension, des performances électriques, un circuit, etc. personnalisés.
Et arbre, bride de montage, fil conducteur, classe de température élevée, entraînement, etc.
Pour tout autre besoin, veuillez contacter nos ingénieurs commerciaux.
Applications

Détails de la sélection du moteur
01Exigences de la demande:
Scénarios d'application spécifiques (par exemple, robots industriels, drones, outils électriques, AGV, équipements médicaux, etc.)
Environnement de fonctionnement requis (par exemple, plage de température, humidité, résistance à la poussière et à l'eau, etc.)02Spécifications du moteur:
Tension et courant nominaux Puissance nominale et puissance de crête Plage de vitesse (tr/min, tr/min) Exigences de couple (couple nominal et couple maximal) Exigences d'efficacité.
03
Dimensions et poids:
Dimensions (diamètre, longueur, etc.)Limite de poids.
04Exigences de contrôle :
Type de contrôle (par exemple, contrôle en boucle ouverte, contrôle en boucle fermée),Type de capteur requis (par exemple, capteur à effet Hall, encodeur).
05Connexion et installation :
Type et taille de l'arbre,Méthode d'installation (montage à bride, montage sur embase, etc.).Méthode de câblage et type de connecteur.
06Exigences d'alimentation:
Type d'alimentation (courant continu, batterie, courant alternatif, etc.)Plage de tension nominale et fluctuations de tension admissibles.
07Conditions environnementales:
Indice de protection (par exemple, indice IP), plage de températures de fonctionnement,Température de fonctionnement,Plage de température de fonctionnement.
08Autres exigences spéciales :
Niveau sonore (pour les applications sensibles au bruit, choisissez un moteur silencieux et à faibles vibrations).
Compatibilité électromagnétique (CEM),Exigences en matière de durée de vie et de fiabilité.














